Your cart
Nu mai sunt produse in cosul tau
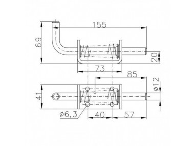
Blocator rampa
40 RON
cu TVA

